Przekaźnik Bistabilny BIS-1
Zastosowanie

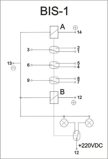
Przekaźnik bistabilny BIS-1 przeznaczony jest do użytku w układach automatyki i zabezpieczeń. Urządzenie służy do zapamiętywania oraz powielania sygnałów wejściowych po zaniku napięcia.

Do pobrania

 
Charakterystyka

  • obudowa z tworzywa ABS przystosowana do montażu za tablicowego,
  • umiejscowienie wyprowadzeń zgodne ze standardem podstawki GZ-14 i GZ14U,
  • duże i czytelne pola opisowe.
Podstawowe dane techniczne

Napięcie zasilania UZ 220V DC
Napięcie znamionowe sterujące US 220V DC
Otwieranie obwodu I=0,1A dla U=220V DC
Rodzaj obudowy CN 55 AK
Wymiary (W/S/G) w mm 77/55/110
Temperatura działania od -5°C do +40°C
 

 

 * Serwis

Urządzenia wyprodukowane przez firmę Energoaparatura S.A. objęte są standardowo dwuletnim okresem gwarancyjnym.Serwis gwarancyjny oraz pogwarancyjny wykonywany jest w siedzibie firmy Energoaparatura S.A. w Katowicach.

* Postępowanie ze zużytym sprzętem elektronicznym

Zgodnie z ustawą z dnia 29 lipca 2005 r. o zużytym sprzęcie elektrycznym i elektronicznym (Dz. U. Nr 180, poz. 1495) zużyty produkt należy zwrócić firmie Energoaparatura S.A. lub oddać firmie zajmującej się utylizacją odpadów elektronicznych.

*RODO

Administratorem danych osobowych jest Energoaparatura S.A. z siedzibą przy ul. Pułaskiego 7 (40-273) w Katowicach.Dane przekazane w formularzu kontaktowym będą przetwarzane jedynie w celu udzielenia odpowiedzi na przesłane zapytanie zgodnie  z POLITYKĄ PRYWATNOŚCI (pełny tekst Tutaj)