| Przekaźnik pomocniczy POM-1 |
|
|
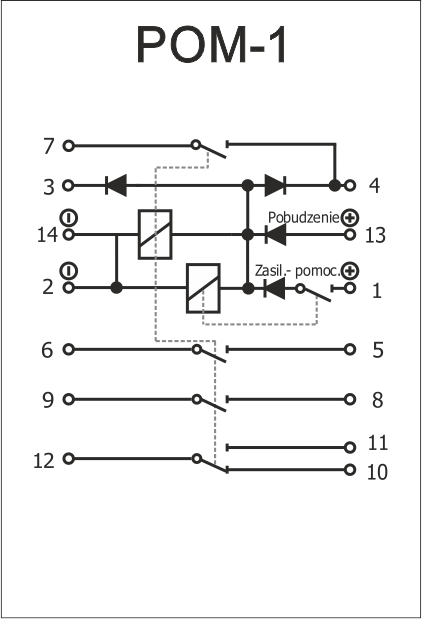
Zastosowanie
Przekaźniki pomocnicze POM-1 stosowane są do sterowania w układach sygnalizacji. Charakteryzują się bardzo krótkim czasem zadziałania – poniżej 1ms. Wszystkie przekaźniki dostosowane są do współpracy z typowymi układami sygnalizacji. Działanie przekaźnika wyzwalane jest sygnałami zakłóceniowym o bardzo krótkim czasie trwania impulsu. Do przekaźników należy doprowadzić zasilanie pomocnicze. Napięcie potrzebne do zasilania układu sekwencyjnego które sprawuje kontrolę nad zespołem przekaźników pomocniczych.
Do pobrania
|
Charakterystyka
- obudowa z tworzywa ABS przystosowana do montażu za tablicowego,
- wyprowadzenia przekaźnika umiejscowione na wtyku dostosowane do gniazd GZ-14 i GZ14U.
|
Podstawowe dane techniczne
| Napięcie znamionowe cewki |
220V DC |
| Czas zadziałania przekaźnika wyłączającego |
tz≤1ms |
| Czas odpadu przekaźnika |
to≤20ms |
| Rodzaj obudowy |
CN 55 AK |
| Wyprowadzenia (gniazdo/wtyk) |
Cokół COP14 jak dla przekaźnika R15 4P |
| Wymiary (W/S/G) w mm |
77/55/115 |
|
* Serwis
Urządzenia wyprodukowane przez firmę Energoaparatura S.A. objęte są standardowo dwuletnim okresem gwarancyjnym.Serwis gwarancyjny oraz pogwarancyjny wykonywany jest w siedzibie firmy Energoaparatura S.A. w Katowicach.
* Postępowanie ze zużytym sprzętem elektronicznym
Zgodnie z ustawą z dnia 29 lipca 2005 r. o zużytym sprzęcie elektrycznym i elektronicznym (Dz. U. Nr 180, poz. 1495) zużyty produkt należy zwrócić firmie Energoaparatura S.A. lub oddać firmie zajmującej się utylizacją odpadów elektronicznych.
*RODO
Administratorem danych osobowych jest Energoaparatura S.A. z siedzibą przy ul. Pułaskiego 7 (40-273) w Katowicach.Dane przekazane w formularzu kontaktowym będą przetwarzane jedynie w celu udzielenia odpowiedzi na przesłane zapytanie zgodnie z POLITYKĄ PRYWATNOŚCI (pełny tekst Tutaj)